Product Summary
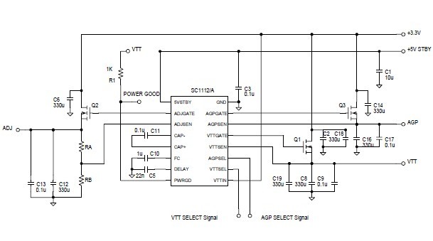
The SC1112S is a triple low dropout regulator controller. The SC1112S is designed for the latest high speed motherboards. It includes three low dropout regulator controllers. The controllers provide the power for the system AGTL bus Termination Voltage, Chipset, and clock circuitry. The SC1112S low dropout regulator is designed to track the 3.3V power supply as the VTTIN supply is cycled On and Off. A latched short circuit protection is also available for the VTT output.
Parametrics
SC1112S absolute maximum ratings: (1)5VSTBY to GND: -0.3 to +7 V; (2)VTTSEN to GND: -0.3 to 5 V; (3)AGPSEN to GND: -0.3 to 5 V; (4)ADJSEN to GND: -0.3 to 5 V; (5)Operating Temperature Range TA: 0 to +70 ℃; (6)Junction Temperature Range TJ: 0 to +125 ℃; (7)Storage Temperature Range T STG: -65 to +150 ℃; (8)Lead Temperature (Soldering) 10 Sec. TL: 300 ℃; (9)Thermal Resistance Junction to Ambient, SOIC: 130℃/W; TSSOP: 115℃/W; (10)ESD Rating (Human Body Model) ESD: 2 kV.
Features
SC1112S features: (1)Triple linear controllers; (2)Selectable and adjustable output voltages; (3)LDOs track input voltage within 200mV (Function of the MOSFETs used) until regulation; (4)Integrated charge pump; (5)Programmable power good delay signal; (6)Latched over current protection (VTT); (7)Pb-free package available, fully WEEE and RoHS compliant.
Diagrams

![]() |
![]() SC110 |
![]() Mallory Sonalert |
![]() Audio Indicators & Alerts MED CONT 30-120V |
![]() Data Sheet |
![]() Negotiable |
|
||||
![]() |
![]() SC11000 |
![]() Other |
![]() |
![]() Data Sheet |
![]() Negotiable |
|
||||
![]() |
![]() SC11004 |
![]() Other |
![]() |
![]() Data Sheet |
![]() Negotiable |
|
||||
![]() |
![]() SC1101 |
![]() Other |
![]() |
![]() Data Sheet |
![]() Negotiable |
|
||||
![]() |
![]() SC1102 |
![]() Other |
![]() |
![]() Data Sheet |
![]() Negotiable |
|
||||
![]() |
![]() SC1103 |
![]() Other |
![]() |
![]() Data Sheet |
![]() Negotiable |
|
||||
(Hong Kong)









