Product Summary
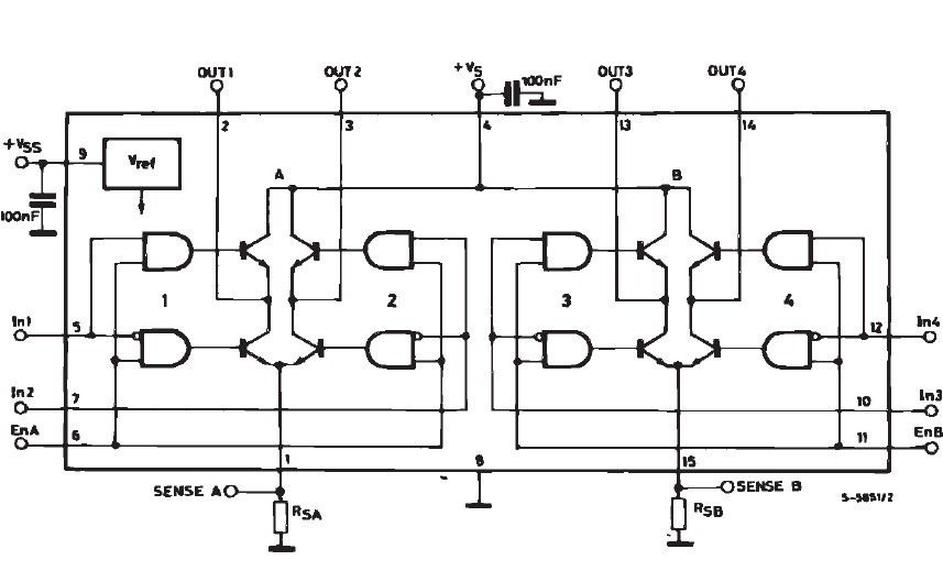
The L298N is an integrated monolithic circuit in a 15-lead Multiwatt and PowerSO20 packages. It is a high voltage, high current dual full-bridge driver designed to accept standard TTL logic levels and drive inductive loads such as relays, solenoids, DC and stepping motors. Two enable inputs are provided to enable or disable the L298N independently of the input signals. The emitters of the lower transistors of each bridge are connected together and the corresponding external terminal can be used for the connection of an external sensing resistor. An additional supply input of the L298N is provided so that the logic works at a lower voltage.
Parametrics
L298N absolute maixmum ratings: (1)VS Power Supply: 50 V; (2)VSS Logic Supply Voltage: 7 V; (3)VI,Ven Input and Enable Voltage: –0.3 to 7 V; (4)IO Peak Output Current (each Channel): Non Repetitive (t = 100ms): 3A; Repetitive (80% on –20% off; ton = 10ms): 2.5A; DC Operation: 2A; (5)Vsens Sensing Voltage: –1 to 2.3 V; (6)Ptot Total Power Dissipation (Tcase = 75℃): 25 W; (7)Top Junction Operating Temperature: –25 to 130 ℃; (8)Tstg, Tj Storage and Junction Temperature: –40 to 150 ℃.
Features
L298N features: (1)Operating supply voltage up to 46 V; (2)Total dc current up to 4 A; (3)Low saturation voltage; (4)Over temperature protection; (5)Logical 0 input voltage up to 1.5 V (highnoise immunity).
Diagrams

| Image | Part No | Mfg | Description | ![]() |
Pricing (USD) |
Quantity | ||||||||||||
|---|---|---|---|---|---|---|---|---|---|---|---|---|---|---|---|---|---|---|
![]() |
![]() L298N |
![]() STMicroelectronics |
![]() Motor / Motion / Ignition Controllers & Drivers Dual Full Bridge |
![]() Data Sheet |
![]()
|
|
||||||||||||
| Image | Part No | Mfg | Description | ![]() |
Pricing (USD) |
Quantity | ||||||||||||
![]() |
![]() L298 |
![]() Other |
![]() |
![]() Data Sheet |
![]() Negotiable |
|
||||||||||||
![]() |
![]() L298HN |
![]() STMicroelectronics |
![]() Motor / Motion / Ignition Controllers & Drivers Dual Full Bridge |
![]() Data Sheet |
![]()
|
|
||||||||||||
![]() |
![]() L298N |
![]() STMicroelectronics |
![]() Motor / Motion / Ignition Controllers & Drivers Dual Full Bridge |
![]() Data Sheet |
![]()
|
|
||||||||||||
![]() |
![]() L298P |
![]() STMicroelectronics |
![]() Motor / Motion / Ignition Controllers & Drivers Dual Full Bridge |
![]() Data Sheet |
![]()
|
|
||||||||||||
![]() |
![]() L298P013TR |
![]() STMicroelectronics |
![]() Other Power Management 5.1 to 40V Step-Down |
![]() Data Sheet |
![]()
|
|
||||||||||||
(Hong Kong)










