Product Summary
The TMS320F206PZ Texas Instruments (TIE) digital signal processor (DSP) is fabricated with static CMOS integrated-circuit technology, and the architectural design is based upon that of the TMS320F206PZ, optimized for low-power operation. The combination of advanced Harvard architecture, on-chip peripherals, on-chip memory, and a highly specialized instruction set is the basis of the operational flexibility and speed of the TMS320F206PZ.
Parametrics
TMS320F206PZ absolute maximum ratings: (1)Supply voltage range, VDD: – 0.3 V to 7 V; (2)Input voltage range: – 0.3 V to 7 V; (3)Output voltage range: – 0.3 V to 7 V; (4)Operating free-air temperature range, TA: 0℃ to 70℃; (5)Storage temperature range, Tstg: – 55℃ to 150℃.
Features
TMS320F206PZ features: (1)High-Performance Static CMOS Technology; (2)Includes the T320C2xLP Core CPU; (3)TMS320F206 is a Member of the TMS320C20x Generation, Which Also Includes the TMS320C203, and TMS320C209 Devices; (4)Instruction-Cycle Time 50 ns @ 5 V; (5)Source Code Compatible With TMS320C25; (6)Upwardly Code-Compatible With TMS320C5x Devices; (7)Three External Interrupts.
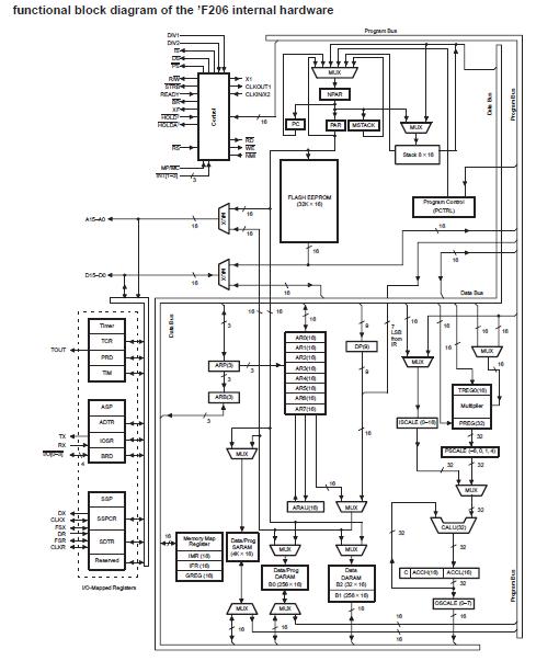
Diagrams

| Image | Part No | Mfg | Description | ![]() |
Pricing (USD) |
Quantity | ||||
|---|---|---|---|---|---|---|---|---|---|---|
![]() |
![]() TMS320F206PZ |
![]() Texas Instruments |
![]() Digital Signal Processors & Controllers (DSP, DSC) Digital Signal Proc |
![]() Data Sheet |
![]() Negotiable |
|
||||
![]() |
![]() TMS320F206PZA |
![]() Texas Instruments |
![]() Digital Signal Processors & Controllers (DSP, DSC) Digital Signal Proc |
![]() Data Sheet |
![]() Negotiable |
|
||||
(Hong Kong)









