Product Summary
The CY7C372I-125JC is an In-System Reprogrammable Complex Programmable Logic Device (CPLD) and is part of the FLASH370i. family of high-density, high-speed CPLDs. Like all members of the FLASH370i family, the CY7C372I-125JC is designed to bring the ease of use and high performance of the 22V10, as well as PCI Local Bus Specification support, to high-density CPLDs. Like all of the UltraLogic. FLASH370i devices, the CY7C372I-125JC is electrically erasable and ISR, which simplifies both design and manufacturing flows, thereby reducing costs. The Cypress ISR function is implemented through a JTAG serial interface.
Parametrics
CY7C372I-125JC absolute maximum ratings: (1)Storage Temperature: –65℃ to +150℃; (2)Ambient Temperature with Power Applied: –55℃ to +125℃; (3)Supply Voltage to Ground Potential: –0.5V to +7.0V; (4)DC Voltage Applied to Outputs in High-Z State: –0.5V to +7.0V; (5)DC Input Voltage: –0.5V to +7.0V; (6)DC Program Voltage: 12.5V; (7)Output Current into Outputs: 16 mA; (8)Static Discharge Voltage> 2001V; (9)Latch-up Current> 200 mA.
Features
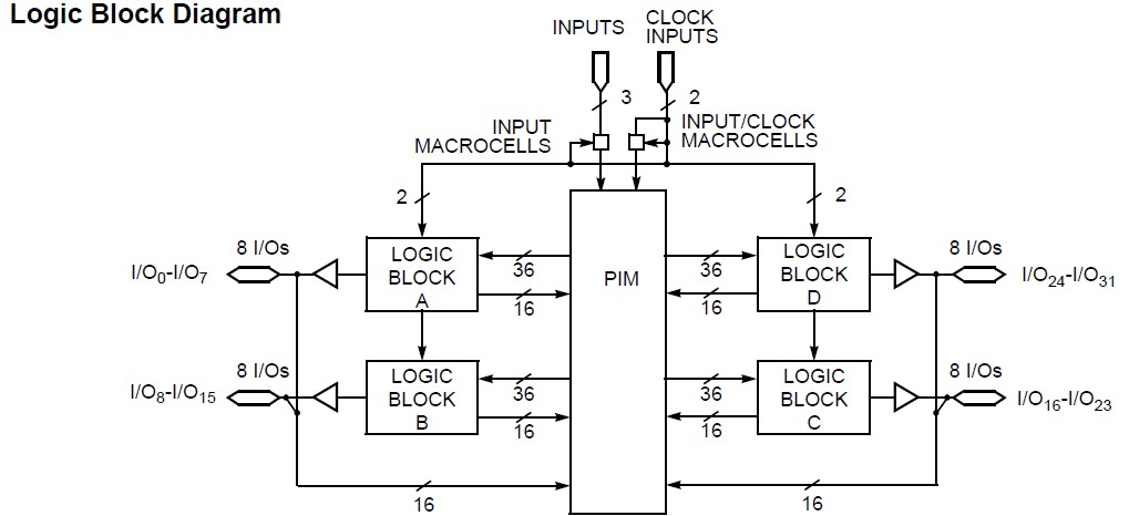
CY7C372I-125JC features: (1)64 macrocells in four logic blocks; (2)32 I/O pins; (3)Five dedicated inputs including two clock pins; (4)In-System Reprogrammable (ISR Flash technology; (5)JTAG interface; (6)Bus Hold capabilities on all I/Os and dedicated inputs; (7)No hidden delays; (8)High speed; (9)Fully PCI compliant; (10)3.3V or 5.0V I/O operation; (11)Available in 44-pin PLCC, TQFP, and CLCC packages.
Diagrams

![]() |
![]() CY7C006 |
![]() Other |
![]() |
![]() Data Sheet |
![]() Negotiable |
|
||||||||||||
![]() |
![]() CY7C006A |
![]() Other |
![]() |
![]() Data Sheet |
![]() Negotiable |
|
||||||||||||
![]() |
![]() CY7C006A-15AXC |
![]() Cypress Semiconductor |
![]() SRAM 5V 16Kx8 COM Dual Port SRAM |
![]() Data Sheet |
![]() Negotiable |
|
||||||||||||
![]() |
![]() CY7C006A-15AXCT |
![]() Cypress Semiconductor |
![]() SRAM 5V 16Kx8 COM Dual Port SRAM |
![]() Data Sheet |
![]() Negotiable |
|
||||||||||||
![]() |
![]() CY7C006A-20AC |
![]() |
![]() IC SRAM 16KX8 DUAL 64LQFP |
![]() Data Sheet |
![]() Negotiable |
|
||||||||||||
![]() |
![]() CY7C006A-20AXC |
![]() Cypress Semiconductor |
![]() SRAM 5V 16Kx8 COM Dual Port SRAM |
![]() Data Sheet |
![]()
|
|
||||||||||||
(Hong Kong)










